时间:2024-02-26 【字体:大 中 小】 打印
来源:江苏省消防救援总队
网址(可下载源文件):《自动喷水灭火系统设计规范》GB 50084-2017_技术标准_公众聚集场所投入使用、营业前消防安全检查_江苏省消防救援总队 (119.gov.cn)
上一篇:《自动喷水灭火系统施工及验收规范》GB 50261-2017
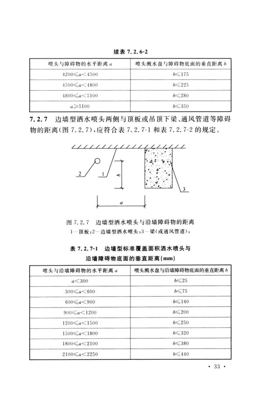
下一篇:《火灾自动报警系统施工及验收标准》GB 50166-2019